จำนวนชิ้น | ส่วนลดต่อชิ้น | ราคาสุทธิต่อชิ้น |
{{(typeof focus_pdata.price_list[idx+1] == 'undefined')?('≥ '+price_row.min_quantity):((price_row.min_quantity < (focus_pdata.price_list[idx+1].min_quantity - 1))?(price_row.min_quantity+' - '+(focus_pdata.price_list[idx+1].min_quantity - 1)):price_row.min_quantity)}} | {{number_format(((focus_pdata.price_old === null)?focus_pdata.price:focus_pdata.price_old) - price_row.price,2)}} บาท | {{number_format(price_row.price,2)}} บาท |
{{ sub_option.name }} | - ไม่มีตัวเลือก - |
|
คงเหลือ | 10 ชิ้น | |
จำนวน (ชิ้น) |
- +
|
|
ซื้อเลย หยิบลงตะกร้า ซื้อเลย หยิบลงตะกร้า คุณมีสินค้าชิ้นนี้ในตะกร้า 0 ชิ้น
ช่องทางสั่งซื้ออื่น ๆ
|
||
|
||
คุยกับร้านค้า | ||
{{ size_chart_name }} |
|
|
หมวดหมู่ | 2-Wire Transmitter | |
สภาพ | สินค้าใหม่ | |
เพิ่มเติม | ||
สภาพ | สินค้ามือสอง | |
เกรด | ||
สถานะสินค้า | ||
ระยะเวลาจัดเตรียมสินค้า | ||
เข้าร่วมโปรโมชั่น | ||
ไฮไลท์ |
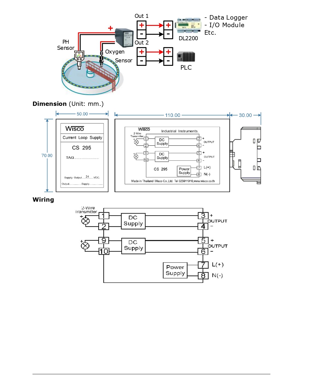
The Current Loop Supply CS295 จ่ายไฟให้กับทรานสมิตเตอร์ 2 สาย และสร้างสัญญาณเอาท์พุต 4 - 20 mA หรือ 1 - 5 VDC มีการแยกระหว่างแต่ละลูปกระแสและแหล่งจ่ายไฟ มีการจำกัดกระแสไฟ (เพื่อป้องกันการลัดวงจร) ชิ้นส่วนอิเล็กทรอนิกส์ถูกติดตั้งบนแผงวงจรที่อยู่ในตัวกล่องพลาสติก ที่เหมาะสำหรับการติดตั้งบนรางขนาดมาตรฐาน 35 มม. (Din Rail)
______________________________________________________
Product :
- Power supply for 2 wire transmitter
- Supplies 2 Current Loops
- Isolation between each Current Loop and power supply
- Current limiting (short circuit protected)
______________________________________________________
>>>
หมายเหตุ :
• ราคารวมภาษีมูลค่าเพิ่มแล้ว
• กรณีมีสินค้าสต๊อกระยะจัดส่งสินค้าภายใน 4-7 วันทำการ
• กรณีสินค้าหมดระยะจัดส่งสินค้าภายใน 3-4 สัปดาห์
• ฟรีค่าบริการจัดส่งสินค้า โดยบริษัทขนส่งเอกชน เช่น ปณ. ด่วน EMS, KEX Express, Flash Express เท่านั้น
• สามารถเช็คสต๊อกสินค้าก่อนทำการสั่งซื้อได้ที่ @Line ID : kdnautomation
• ลูกค้าตรวจสอบ Spec สินค้าก่อนทำการสั่งซื้อทุกครั้ง กรณีสั่งซื้อแล้วไม่รับเปลี่ยน-คืน
______________________________________________________
>>>
ติดต่อสอบถามข้อมูลเพิ่มเติม :
• Line Official : kdnautomation
• E-Mail: kdnautomation@gmail.com
• Tel : 082-550-3096, 02-023-3038
• Website : www.kdnautomation.co.th
• เวลาทำการบริษัท วันจันทร์ - วันศุกร์ เวลา 08.00 - 17.00 น. ( หยุดวันนักขัตฤกษ์ )
______________________________________________________
>>>
บริการติดตั้ง :
• ทางบริษัทจำหน่ายอุปกรณ์อิเล็กทรอนิกส์ ออกแบบ ติดตั้งและซ่อมแซม ปรับปรุงเครื่องจักรในโรงงานอุตสาหกรรม
รวมถึงการให้บริการเขียนโปรแกรม และพัฒนาระบบควบคุมอัตโนมัติแบบครบวงจร ทั้งนี้ลูกค้าสามารถส่งรายละเอียด
มาได้ที่ E-mail : kdnautomation@gmail.com เพื่อประเมินราคา
|
ข้อมูล |
น้ำหนัก
บาร์โค้ด
ลงสินค้า
อัพเดทล่าสุด
|
รายละเอียดสินค้า |
![]() ![]() ![]() |
เงื่อนไขอื่นๆ |
เกี่ยวกับบริษัท บริษัท เคดีเอ็น ออโตเมชั่น แอนด์ เซอร์วิส จำกัด ( สำนักงานใหญ่ )
ทางบริษัทให้บริการหลากหลายรูปแบบจากผู้เชี่ยวชาญ เป็นผู้จำหน่ายอุปกรณ์อิเล็กทรอนิกส์ เซนเซอร์ อุปกรณ์แปลงสัญญาณ อุปกรณ์บันทึกข้อมูล อุปกรณ์ประมวลผล อุปกรณ์แสดงผล และอุปกรณ์สื่อสาร ในงานอุตสาหกรรม รวมถึงการให้บริการออกแบบ เขียนโปรแกรม ติดตั้งและพัฒนา ระบบควบคุมอัตโนมัติการติดตั้งเครื่องจักรอุตสาหกรรมและอุปกรณ์อื่นๆ |
Tags |
- ไม่มีตัวเลือก - |
|
|
คงเหลือ | 10 ชิ้น | |
จำนวน (ชิ้น) |
- +
|
|
ไม่มีสินค้าที่เลือก
กรุณาเลือกแบบสินค้าก่อนสั่งซื้อ
ซื้อเลย หยิบลงตะกร้า คุณมีสินค้าชิ้นนี้ในตะกร้า 0 ชิ้น
|
หน้าที่เข้าชม | 1,009 ครั้ง |
ผู้ชมทั้งหมด | 803 ครั้ง |
เปิดร้าน | 6 ต.ค. 2564 |
ร้านค้าอัพเดท | 16 ต.ค. 2568 |